久久久久激情I久草网免费I天天天综合网Iav东方在线I国产精品二区在线观看Iwww久久99I91精品色I夜又临在线观看

固定電話:

0517-86881563

手機熱線:

153-1230-7860

當前位置:首頁 >> 新聞動態
一種電磁流量計空管信號的分離電路設計
一種流量計空管信號的分離電路。
技術背景,流量計具有空管報警功能,智能的判斷管道是否為空。然而空管信號與流量信號由同一路電路輸出,而且通過同一組采樣電容進行采樣,然后進行AD轉換。這種設計存在的缺陷在于:由于空管信號遠遠大于正常范圍內流量信號,當采樣電容對空管信號進行采樣時,采樣電容的充電量會很大,在隨后采樣流量信號時,由于之前空管信號時的電量不能全釋放,會對流量信號有很大的影響,從而導致流量測量不準確。
技術內容,鑒于現有技術存在的不足,本實用新型提供一種電磁流量計空管信號的分離電路。本實用新型就是針對現有技術存在的不足,將空管信號與流量信號在采樣時進行分離,使用不同的采樣保持電容對上述二者信號進行采樣及保持,通過電子開關控制二者采樣的時序,使用不同的A轉通道分別對二者的采樣保持信號進行轉換,消除了二者之間的影響,使測量更加準確。
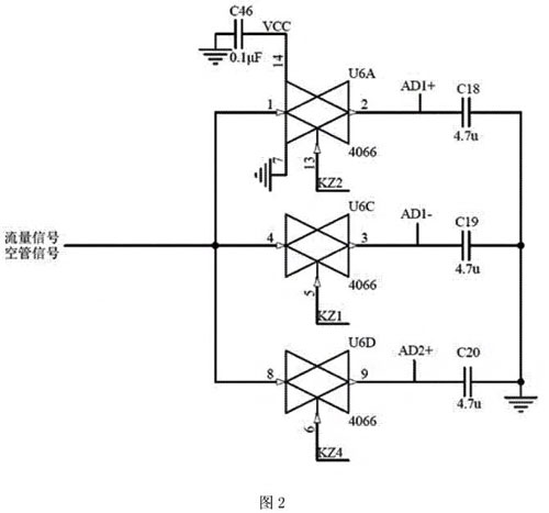
本實用新型為實現上述目的,所采用的技術方案是:一種電磁流量計空管信號分離電路,其特征在于:包括空管信號分離電路、多通道AD轉換電路、微處理器控制電路,所述微處理器控制電路分別與空管信號分離電路、多通道AD轉換電路連接,所述空管信號分離電路與多通道AD轉換電路連接;具體電路連接為:空管信號分離電路的電子開關U6A的1腳、U6C的4腳、6D的8腳的輸入端均連接到流量信號和空管信號,電子開關L6A的2腳輸出端、U6C的3腳輸出端、U6D的9腳輸出端分別與三個采樣保持電容Cl8,Cl9,C20的端相連,三個采樣保持電容C18,C19,C20的另一端均連接到地,三個電子開關U6C的5腳控制端KZl、U6A的13腳控制端κZ2、U6D的6腳控制端KZ4分別與微處理器控制電路的微處理器U7的三個10引腳8腳、9腳、36腳相連,電子開關U6A的2腳輸出端與采樣保持電容Cl8的連接點ADl+以及電子開關U6C的3腳輸出端與采樣保持電容C19的連接點AD1-,二者分別與多通道AD轉換電路的AD轉換芯片U4的通道1的5腳、6腳連接,電子電子開關U6D的9腳輸出端與采樣保持電容C20的連接點AD2+以及地,二者分別與多通道AD轉換電路的AD轉換芯片U4的通道2的7腳、8腳連接,電子開關U6A的電源腳14腳接電源VCC并通過電容C46接地,電子開關U6A的接地腳7腳接地,基準電壓源IC1和電阻R38、電阻R38’組成的基準電壓電路為AD轉換芯片U4提供2.5V轉換基準電壓;晶振CY1和電容C23、電容C24組成的振蕩電路為微處理器U7提供時鐘周期,使微處理器正常工作;電子開關U6A,U6C控制流量信號的采樣,采樣保持電容CI8,CI9對流量信號進行保持,多通道AD轉換芯片U4的1通道對流量信號進行轉換;電子開關L6D空管信號的采樣,采樣保持電容C20對空管信號進行保持,多通道AD轉換芯片U4的2通道對空管信號進行轉換。
本電磁流量計空管信號分離電路的有益效果是:現有技術采用的方法是使用同一組采樣保持電容對上述兩種信號進行采樣,使用同一AD轉換通道對上述兩種信號進行轉換,僅在時間上進行了分離;本實用新型則實現了將混合在一起的流量信號和空管信號在時間和空間分別進行了分離,消除二者之間的相互影響,使測量更加準確.
附圖說明
圖1為電路連接框圖

圖2為空管信號分離電路原理圖

圖3為多通道AD轉換芯片電路原理圖;

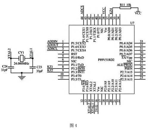
圖4為微處理器控制電路原理圖

電磁流量計空管信號的分離電路,具體實施方式
如附圖1、2、3、4所示,電磁流量計空管信號分離電路,包括空管信號分離電路、多通道AD轉換電路、微處理器控制電路,所述微處理器控制電路分別與空管信號分離電路多通道AD轉換電路連接,所述空管信號分離電路與多通道AD轉換電路連接;具體電路連接為:空管信號分離電路的電子開關U6A的1腳、U6C的4腳、U6D的8腳的輸入端均連接到流量信號和空管信號,電子開關U6A的2腳輸岀端、U6C的3腳輸出端、U⑥D的9腳輸岀端分別與三個采樣保持電容C18,C19,C20的一端相連,三個采樣保持電容C18,C19,C20的另端均連接到地,三個電子開關U6C的5腳控制端KZl、U6A的13腳控制端KZ2、U6D的6腳控制端KZ4分別與微處理器控制電路的微處理器U7的三個10引腳8腳、9腳、36腳相連,電子開關U6A的2腳輸出端與采樣保持電容C18的連接點ADl+以及電子開關U6C的3腳輸出端與采樣保持電容Cl9的連接點AD1-,二者分別與多通道AD轉換電路的A轉換芯片U4的通道1的5腳、6腳連接,電子電子開關U6D的9腳輸出端與采樣保持電容C20的連接點AD2+以及地,二者分別與多通道AD轉換電路的AD轉換芯片U4的通道2的7腳、8腳連接;電子開關U6A的電源腳14腳接電源VCC并通過電容C46接地,電子開關U6A的接地腳7腳接地,基準電壓源IC1和電阻R38、電阻R38’組成的基準電壓電路為AD轉換芯片U4提供2.5V轉換基準電壓,本實用新型使用的AD轉換芯片U4是AD7799,TL431B提供2.5V電壓基準。晶振CY1和電容C23、電容C24組成的振蕩電路為微處理器U7提供時鐘周期,使微處理器正常工作。
電子開關U6A和U6C用于控制流量信號采樣,采樣保持電容Cl8,C19用于流量信號的采樣保持;電子開關U6D用于控制空管信號采樣,采樣保持電容C20用于空管信號的采樣保持。當對流量信號進行采樣時,通過微處理器U7控制電子開關U6D控制端KZ4,使其關閉電子開關U6D。通過微處理器U7控制電子開關U6C和U6A的控制端KZ1和控制端KZ2輪流打開電子開關U6C和U6A對流量信號進行采樣,通過對采樣保持電容Cl8、采樣保持電容C19進行充電對流量信號進行保持,然后通過多通道AD轉換芯片U4的通道1對流量的采樣保持信號進行轉換,得到流量數據。當對空管信號進行采樣時,通過微處理器U7控制電子開關U6C、U6A和L6D的控制端KZ1、控制端KZ2和控制端KZ4,關閉電子開關U6A和U6C,打開電子開關L6D,對空管信號進行采樣,通過對采樣保持電容C20進行充電對空管信號進行保持,然后通過多通道AD轉換芯片u4的通道2對空管的采樣保持信號進行轉換,得到空管數據。微處理器U7為P89V51RD2微處理器,電子開關U6A、電子開關U6C、電子開關U6D均為4066電子開關。

上一條:實地操作如何正確更換和安裝流量計?
下一條:智能電磁流量計在銅液流量測量中的應用


客戶服務熱線
15312307860

聯系我們