久久久久激情I久草网免费I天天天综合网Iav东方在线I国产精品二区在线观看Iwww久久99I91精品色I夜又临在线观看

固定電話:

0517-86881563

手機熱線:

153-1230-7860

當前位置:首頁 >> 新聞動態
一種用于電磁流量計的定量控制裝置的技術
技術領域
本實用新型涉及電磁流量計技術,特別是涉及一種用于電磁流量計的定量控制裝置的技術。
 
背景技術
電磁流量計是一種測量介質體積流量的儀表,主要由流量轉換器和流量傳感器組成。其中,流量傳感器用于檢測介質流量,并將檢測到的介質流量轉換為感應電動勢信號流量轉換器用于向流量傳感器提供產生工作磁場的勵磁電流,及接收流量傳感器的感應電動勢信號,并將接收到的感應電動勢信號排除干擾及放大后轉換為標準的電信號輸出。
日前,在大部分應用場合不僅需要測量介質流量,還需要對介質流量進行定量控制,由于現有的電磁流量計都限于測量介質流量,并不具備定量控制功能,因此目前定量控制介質流量時,都是通過人工監測電磁流量計的測量值來進行流量控制的,這種流量控制精確度很差。
 
實用新型內容
針對上述現有技術中存在的缺陷,本實用新型所要解決的技術問題是提供一種能
定量控制介質流量,且控制精度高的用于電磁流量計的定量控制裝置。
為了解決上述技術問題,本實用新型所提供的一種用于電磁流量計的定量控制裝置,所述電磁流量計內置有單片機及流量傳感器,其特征在于:該裝置包括電磁閥、繼電器、**光耦和第二光耦。
所述單片機設有一控制信號輸入端、一控制信號輸出端、一數據采集端,并內置有流量統計軟件,其控制信號輸入端接到**光耦的正輸出端,并經一上拉電阻接到正電源,其控制信號輸出端接到第二光耦的正輸入端,其數據采集端連接流量傳感器。
所述**光耦的正輸入端依次串接一定量控制開關、一分壓電阻到正電源,其負輸入端連接負電源,其負輸出端接地;
所述第二光耦的負輸入端接地,其正輸出端經另一分壓電阻接正電源,其負輸出端串接繼電器的線圈到地;
所述電磁閥安裝在受控管道上,其控制端串接繼電器的觸點到電磁閥工作電源;
所述電磁流量傳感器安裝在受控管道上,并位于電磁閥的上游。
本實用新型提供的用于電磁流量計的定量控制裝置,利用電磁流量計內置的單片機統計介質流量,并通過繼電器、電磁閥控制介質傳輸管道的通斷,無需人工干預即可定量控制受控管道內的介質流量,且控制精度高。
 
附圖說明
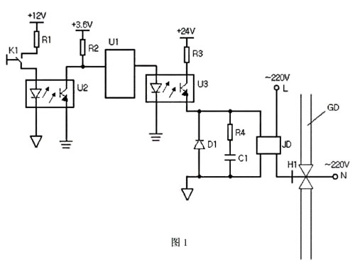
圖1是本實用新型實施例的用于電磁流量計的定量控制裝置的電路圖
具體實施方式
以下結合附圖說明對本實用新型的實施例作進一步詳細描述,但本實施例并不用于限制本實用新型,凡是采用本實用新型的相似結構及其相似變化,均應列入本實用新型的保護范圍。
如圖1所示,本實用新型實施例所提供的一種用于電磁流量計的定量控制裝置,
所述電磁流量計內置有單片機U1及流量傳感器(圖中未示),其特征在于:該裝置包括電磁閥H1、繼電器JD、**光耦U2和第二光耦U3:
所述單片機U1設有一控制信號輸入端、一控制信號輸出端、一數據采集端,并內置有流量統計軟件,其控制信號輸入端接到**光耦U2的正輸出端,并經一上拉電阻R2接到3.6V正電源,其控制信號輸出端接到第二光耦U3的正輸入端,其數據采集端連接流量傳感器;
所述**光耦U2的正輸入端依次串接一定量控制開關K1、一分壓電阻RI到12V正電源,其負輸入端連接負電源,其負輸出端接地;
所述第二光耦U3的負輸入端接地,其正輸出端經另一分壓電阻R3接24V正電源,其負輸出端串接繼電器.JD的線圈到地。
所述電磁閥HI安裝在受控管道GD上,其控制端串接繼電器.JD的觸點到電磁閥工作電源(220V交流電),所述電磁流量傳感器安裝在受控管道上,并位于電磁閥Hl的上游。
本實用新型實施例中,所述定量控制開關K1為常開型開關,所述繼電器JD為動合型繼電器,所述電磁閥H1為常開型電磁閥。
本實用新型實施例適用于帶有輸入鍵盤的電磁流量計,其使用方法如下:
未按下定量控制開關K1時,**光耦U2的正負輸出端處于斷路狀態,此時單片機U1的控制信號輸入端為高電平,其控制信號輸出端無輸出,使得第二光耦U3的正負輸出端也處于斷路狀態,此時繼電器JD處于失電斷路狀態,電磁閥H1處于失電連通狀態,此時受控管道的管路暢通,流量傳感器實時采集介質流量值,并傳遞給單片機;需要控制受控管道內的介質流量時,操作人員預先通過電磁流量計自帶的輸入鍵盤向單片機U1輸入流量值,然后按下定量控制開關KI使其閉合,定量控制開關K1閉合后**光耦U2的輸入端與電源接通,其正負輸出端導通,使得單片機U1的控制信號輸入端轉為低電平,單片機U檢測到其控制信號輸入端為低電平后,即對流量傳感器傳送來的介質流量值進行累加,至累加值等于操作人員預先輸入的流量值時,單片機U1通過其控制信號輸出端輸出一個高電平,使得第二光耦U3的正負輸出端連通,從而使繼電器JD上電導通,此時電磁閥H1與工作電源接通,轉為通電截止狀態,此時受控管道的管路截止,實現介質流量的定量控制。
 

上一條:如何解決電磁流量計測量數值與實際值不一致的
下一條:電磁流量計在供水行業中的應用


客戶服務熱線
15312307860

聯系我們